Aký lacný QRP transceiver na jedno KV pásmo? Odpovědí může být QRPver-1. Má rozměry 103 x 30 x 75 mm a hmotnost 350 gramů. Konstrukčně jde o superhet s jednou mezifrekvencí s krystalovým filtrem. Řízení je mikroprocesorem. Oscilátor zajišťuje oblíbený obvod SI5351.
V článku se dočtete
Takto se QRPver-1 chová v SSB lize
Specifikace QRPver-1 TCVR
napájecí napětí v rozsahu 10 – 14V (13,8V nominální hodnota)
Spotřeba při příjmu a průměrně nastavené hlasitosti 100 mA
Spotřeba 600 – 800 mA při vysílání (průměrně 700)
Citlivost přijímače lepší než 0,4 uV
Výstupní výkon vysílače 3 W (max 4 W)
Low-pass amplifier Output Power 0.7 W
Mezifrekvence 6 MHz
Šířka MF filtru 2.9 kHz pro -6dB
Zapínatelný strmý dolnopropustný filtr (400-2900 Hz)
Potlačení nosné frekvence lepší než 50dB
Potlačení nežádoucího pásma lepší než 45 dB
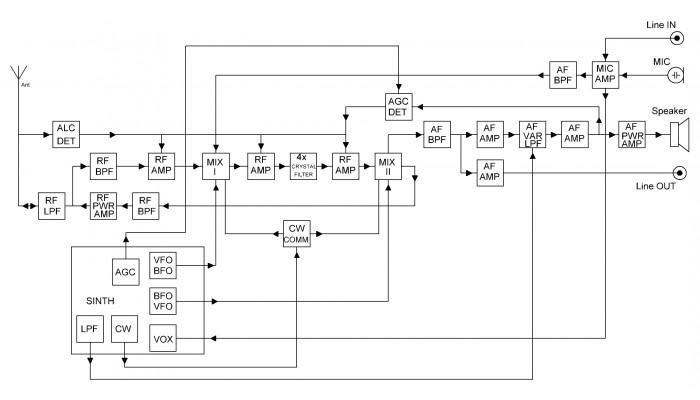
Blokové schéma QRPver-1 v.3


Maličký TCVR je schopný LSB / USB, CW / SSB / DIGI prevádzky. AGC je přepínatelné. Díky řízení mikroprocesorům zobrazuje displej frekvenci, mód, šířku filtru, krok ladění či S-metr. Potěší také poloautomatický elbug. Offset pro CW je nastavitelný. V portablovém provozu oceníte i indikaci nízkého napětí.
Aktuální cena QRPver je 190 dolarů. Není to TCVR špičkových parametrů, ale opravdu maličké zařízení pro příležitostný provoz. K zakoupení prostřednictvím https://QRPver.com/transceivers/qrpver_1_v_3.html, kde najdete také recenze uživatelů, další fotografie a videa.
