Tento jednoduchý obvod chráni zariadenia proti prepätiu.
Nároky na obvod boli nasledovne: jednoduchosť, minimálne množstvo súčiastok, aspoň minimálna stabilizácia, minimálny odber prúdu a minimálny úbytok napätia v priepustnom smere.
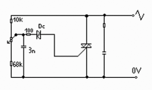
Ako funguje prepäťová ochrana?
Princíp: pri napätí neprekračujúcom zenerovo napätie diódy ZD je obvod v kľude a neodoberá žiaden prúd. V prípade prekročenia tohto napätia, zenerova dióda otvorí tranzistor, ktorý stabilizuje toto napätie.
Ak tranzistor nebude schopný ustabilizovať toto napätie /napr. aj z dôvodu že sa zničí/ a napätie sa bude ďalej zvyšovať, po prekročení napätia o pribl. 2V /prahové napätie svetelnej diódy/ sa otvorí tyristor /ktorý je schopný viest vysoký prúd/. Tým sa prekročí max. prípustný prúd pre zaradenú poistku, poistka sa prepáli, rozsvieti sa indikačná dióda zapojená nad ňou, a napájané zariadenie je odpojené od zdroja prepätia.
Ak sa poistka neprepáli z dôvodu krátkeho trvania prepätia, tyristor tým že uzemní napájanie ustabilizuje napätie aj pri vyšších odberoch. Rezistor v riadiacej elektróde tyristora automaticky vypne tento tyristor po poklese napätia a zariadenie funguje ďalej /no s výstupným napätím vyšším o 2V ak by sa tranzistor zničil/.
Kondenzátor paralelne pripojený k vypínaciemu rezistoru tyristora odstraňuje náhodné rušivé impulzy, ktoré by mohli spúšťať Ty a nepriaznivo zaťažovať zdroj napájania.
Ak sa ako tranzistor použije darlington, stabilizácia bude presnejšia. Rezistor v báze tohto tranzistora slúži iba k jeho rýchlejšiemu uzavretiu, čím sa zlepší charakteristika stabilizácie. Dióda zapojená na konci obvodu chráni napájaný obvod pred prepólovaním a odstraňuje prípadné rušivé impulzy záporného napätia.
Súčiastky
Rezistory: 10k – hodnota nie je kritická
Kondenzátor 100nF – hodnota nie je kritická
Ty – akýkoľvek (funkčný!), s max. prúdom presahujúcim prúd poistky
Tranzistor – najlepšie darlington, NPN
ZD – na potrebné napätie znížené o úbytok nap. na tranzistore, okolo 0,7V
LED – akékoľvek, najlepšie s čo najnižším prahovým napätím
pozn.: prahové nap. LED je približne: pre červenú 1,8V, oranžovú 2,0V žltú 2,1V a zelenú 2,2V. Bolo by samozrejme možné použiť i dve kremíkové diódy.
Prvá dopĺňa úbytok na tranzistore, druhá zvyšuje zapínacie napätie Ty o pribl. 0,7V.
