Previous article described as using a simple circuit, possibly even older TCVR use for operation with digimodes. A similar connection can also be used for CW keying from a computer. I have tested the circuit successfully in races and I can confidently say that it is a great helper during the (sometimes often) tense moments that contesting brings. That's when every second saved counts. HAM programs have long been able to transmit the received station's call sign text, so why not use it?

Please note that the described solution uses VOX to start the keying, so it does not contain it PTT circuit.
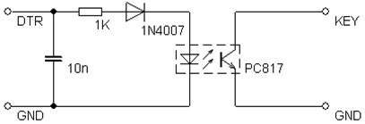
Anyone who cannot find a PC817 optocoupler at home can use its substitutes: 4N35, 4N36, 4N37, 4N25, 4N26, 4N28, PC816, PC817, 4N27, 4N36 and the H11Ax series. The circuit uses a USB to RS232 converter from the manufacturer Prolific, a resistance value of 1 kΩ was adapted to it. The reason was quite prosaic - I had just such at my disposal. Yes, chips from that manufacturer are not recommended for this purpose, but I haven't experienced any problems yet. Those who would like to skip the converter can reach for a solution with the FT232RL circuit, as HB9AMO describes on his site: http://www.hb9amo.net/ts50.php. Technically speaking, it's basically just changing the value of the resistor. The DTR and GND signals on the diagram on the left are fed to the converter input and the KEY and GND signals to the TCVR input via the stereo jack. We connect KEY to the tip of the jack and GND to the end ring, leaving the middle ring unconnected.
It can be seen that CW operation can be enriched, made easier and more pleasant for a small cost. My solution is placed in a small box with jack and RS232 connectors sticking out. When using the FT232RL circuit, it is enough to "slam" the electronics into the shrink tube, which creates a cable suitable even for portable use.

Bonus 1: Control via the Atalanta Locator program
If you have read this far and enjoy the classic and still popular program Atalanta Locator, I'll give you one tip. Tomáš, OM5AST provides useful instructions on how to run Locator under Windows 10: https://github.com/tomasgeci/atalanta-locator-dosbox Anyone who would also like to control CW via Locator should do the following:
- In the folder with the Locator program files, open the LOCATOR.INI file and set ENABLE_PTT=0 in the [CW] section
- At the end of the file dosbox-0.74.conf we add the line serial1=directserial realport:com1 Where com1 is the name of the real port of the computer where we have the key circuit connected
- We start the program according to the attached instructions
Bonus 2: Control via the N1MM program
The following procedure applies to the selected language English:
- Choose from the top menu Configure
- Then select the item Configure Ports, Mode Control, Audio, Other...
- Leave a bookmark Hardware
- In the column Port select the port where the keying circuit is connected
- In the column Radio leave None
- Tick CW/Other
- V Details click the button Set
- Select DTR for CW, RTS set to Always Off
Note: It is also possible to select the RTS signal for CW, but it is generally used for PTT.
Martin Jánoš, OM1MJ
