Tento QRP PA bol pôvodne vyvinutý na použitie k TCVR-u M160. PA zverejnil OK2BHW, teraz OK2HW, v Amatérskom rádiu 6/1987. Vzhľadom na to, že staré Amatérske rádiá sú mladým amatérom väčšinou nedostupné, chcel by som týmto oživiť tento jednoduchý odskúšaný a nenáročný PA.
V článku sa dočítate
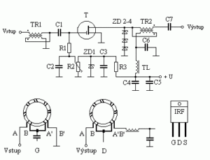
Zosilňovač je vo dvojčinnom zapojení
Zosilňovač je vo dvojčinnom zapojení, ktoré má svoje výhody. Najmä v tom, že nepárne Harmonické sú prirodzene potlačené vyváženým zapojením výstupu.
Vstupný transformátor Tr1 (4:1) transformuje vstupnú impedanciu 75 ohmov na 18 ohmov. Tr2 budí súmerne bázy T1 a T2. Tretí transformátor Tr3 zaisťuje súmerné zaťaženie T2. Každý vstupný tranzistor má teda vstupnú impedanciu asi 9 ohmov.
Tr4 na výstupe slúži na symetrické jednosmerné napájanie kolektorov T1, T2. K nasýteniu dvojotvorových jadier nedôjde, pretože prechádzajúci prúd vo vinutiach zapojených proti sebe vytvára magnetické pole opačného zmyslu. Tr5 transformuje symetrické zapojenie T1, T2 na nesymetrických 75 ohmov. To znamená, že na každom kolektore je 37,5 ohmu.
Toľko k princípu zapojenia. Čo sa týka vlastného prevedenia Tr1, 2, 3, 4, 5 sú navinuté na dvojotvorovom jadre vždy 6 závitov bifilárne, dvoma drôtmi s priemerom 0,4 CuL skrútenými tak aby boli 2-3 závity na 1 cm dĺžky. Pri zapojení je nutné dodržať začiatky a konce vinutia, v schéme označené bodkou.
Mechanické prevedenie PA
Mechanické prevedenie PA som vykonal bez tlačeného spoja, tzv. vzdušnou metódou priamo do krabičky zletovanej z kuprextitu. PA je napájaný zo zdroja 13,6 V. Účinnosť PA je 50 až 60%, prúd 1 až 1,5 A. Konečný výsledok výkonu PA je závislý od použitých tranzistorov T1, T2. Pri použití „lepších“ tranzistorov je možné obsiahnuť 1,8 – 30 MHz. S pôvodnými tranzistormi KU611 je konček vhodný na 1,8 – 7 MHz. Pri použití tranzistorov 2SC 2078 je nutné dať pozor na prebudenie. Možno riešiť útlmovým článkom na vstupe zosilňovača.
Ešte malá rada na záver. Je veľmi praktické vyviesť osičku potenciometra VOXu mimo krabičky. V prípade ovládania Relé priamo z TRXu, VOX vypustíme úplne. Na výstup by bolo asi vhodné zaradiť prepínateľný L článok na prispôsobenie LW antény (poprípade malý transmatsch).
Použité súčiastky
– Transformátory Tr1-5: viď vyššie popísané
– T1, T2: KU611, tranzistory radu BD, 2SC prípadne 2SC2078
– C – keramické
– C el. – aspoň na 25V
– R – 1 W
– D1-3 KA501 a podobné Si diódy
– Relé – akékoľvek na 12V ktoré moje dva prepínacie kontakty. ( QN…, tzv.Teplické (kocka cukru) a podobné typy.
Článok od Jindru, OK1XR. TNX!

Ahoj, mala poznamka k PA. Pouzivam jej v originalnim provedeni 2BHW k M160 tak, jak jej postavil Julek, OK1FSD (ano, stale s touto sestavou jezdim i v roce 2021, hi). Po urcitem case kazdodenniho intenzivniho provozu odesly KU611ky. Po spocteni pracovnich bodu a proudu tekoucich v PA se jevilo jako vhodnejsi pouziti dvojce KU612. Vzhledem k jejich vyssi h21e je nutne zaradit utlumovy clen (-3dB) na vstup PA. Od te doby chodi tento PA naprosto spolehlive a bez zavahani. Pro QSK provoz je pouzito rychle prepinaci rele (byvale produkce NDR), dnes je treba najit ekvivalent.
Ahoj Petře, aká je frekvenčná závislosť? Smerom k vyšším frekvenciám predpokladám že zisk klesá, áno?